«Теплоплюс» — официальный дилер
г. Арзамас, ул. Октябрьская, д. 11а
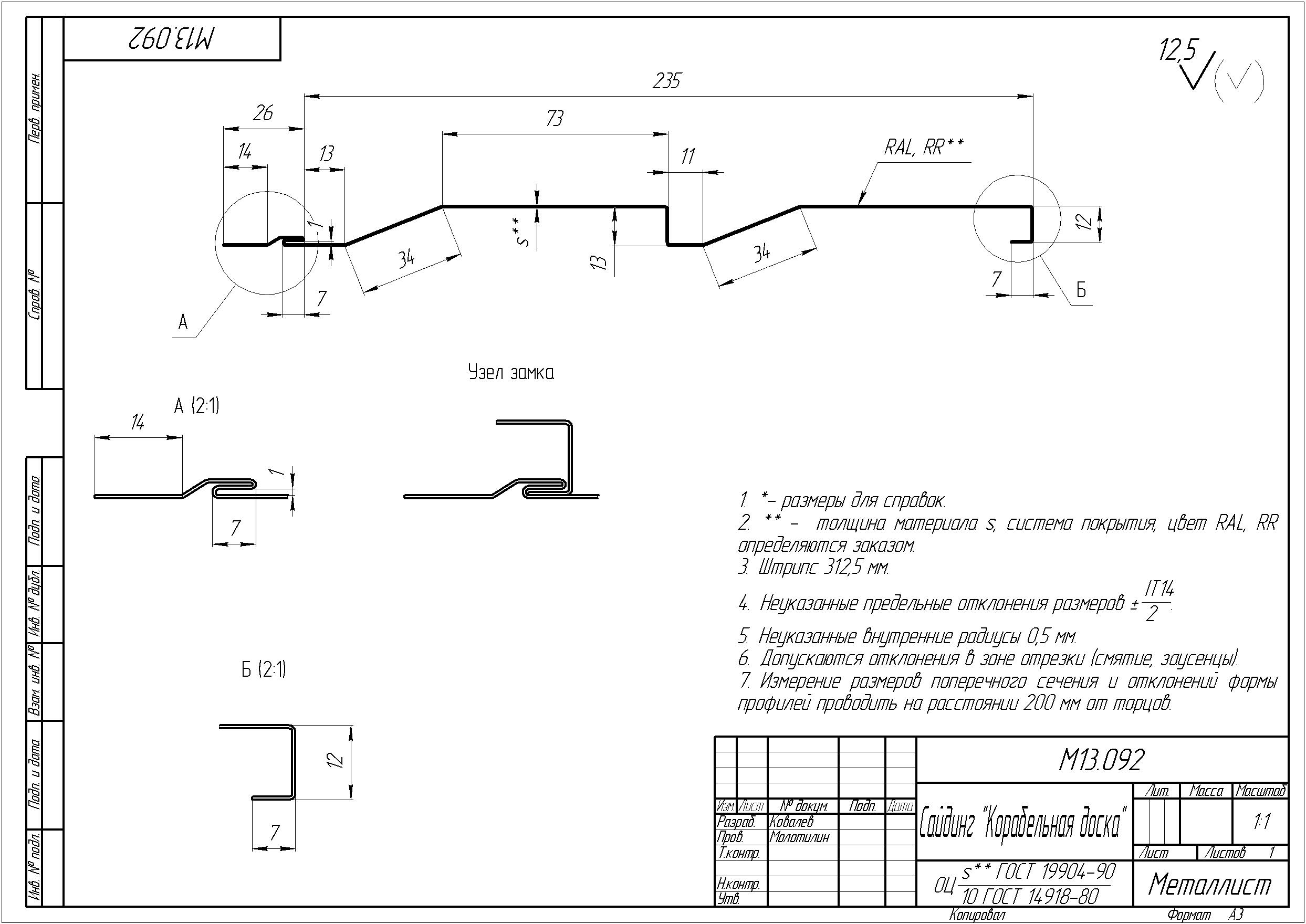
Металлический сайдинг "Корабельная доска"

Сайдинг «Корабельная доска» является наиболее популярным в России. Имитирует дощатую обшивку. Благодаря своей форме этот вид профиля прост в монтаже и удобен в эксплуатации. Чаще всего устанавливается горизонтально.

Узнать цену
Технические характеристики
Заказать расчёт
Ширина общая*, мм

265

Ширина полезная*, мм

240

Ширина полезная Санкт-Петербург, мм

235

Высота профиля, мм

12

Минимальная длина листа, м

0,5

Максимальная длина листа, м

6

* - Кроме завода в Нижнем Новгороде
Цвета и покрытия
Print RF
Текстура

Матовая, текстурированная

Толщина покрытия

25 мкм

Защитный слой

Zn 140 г/м²

Технология TwinColor

Да

Доступные цвета

Print RF Золотой Дуб (Golden wood)
Print RF Античный Дуб (Antique Wood)
Узнать цену
Drap®
Текстура

Матовая, текстурированна

Толщина покрытия

25 мкм

Защитный слой

Zn 140 г/м²

Технология TwinColor

Нет

Доступные цвета

RAL 1014
RAL 3005
RAL 6005
RAL 7004
RAL 7016
RAL 7024
RAL 8004
RAL 8017
RAL 9003
RAL 9005
RR 32
Узнать цену
Satin®
Текстура

Гладкая, глянцевая

Толщина покрытия

25 мкм

Защитный слой

Zn 140 г/м²

Технология TwinColor

Нет

Доступные цвета

RAL 1015
RAL 3005
RAL 3009
RAL 3011
RAL 5005
RAL 6005
RAL 7004
RAL 7016
RAL 7024
RAL 8004
RAL 8017
RAL 9003
RAL 9005
RR 32
Узнать цену
Полиэстер 0,45
Текстура

Матовая, текстурированна

Толщина покрытия

35 мкм

Защитный слой

Zn 180 г/м²

Технология TwinColor

Нет

Доступные цвета

RAL 1014
RAL 1015
RAL 1018
RAL 2004
RAL 3003
RAL 3005
RAL 3009
RAL 3011
RAL 5002
RAL 5021
RAL 6002
RAL 6005
RAL 6019
RAL 7004
RAL 7005
RAL 7024
RAL 8004
RAL 8017
RAL 9003
RAL 9006
RR 32
Узнать цену
Satin Matt
Текстура

Матовая, текстурированна

Толщина покрытия

35 мкм

Защитный слой

Zn 180 г/м²

Технология TwinColor

Нет

Доступные цвета

RAL 7024
RAL 8004
RAL 8017
RAL 9005
RR 32
Узнать цену

Доборные элементы

Планка начальная

Планка стыковочная простая

Планка стыковочная сложная

Планка угла внешнего простая

Планка угла внешнего сложная

Планка угла внутреннего простая

Планка угла внутреннего сложная

Планка угла внутреннего сложная 90°

Отлив простой (150; 200)

Планка завершающая простая

Планка финишная 46х25

Цены на сайте не являются публичной офертой. Создание сайта — Веб-студия ПРОФИТ Политика конфиденциальности